ここでは,電圧降下の式をベクトル図を使って導出します。
最終的には公式を覚えることになるとは思うのですが,導出方法を理解しておけば,万が一,試験本番に公式を忘れてしまったときにも自分で導出できます。
最初に,単相\( \ 2 \ \)線式送電線の電圧降下の式を導出します。
\[
\begin{eqnarray}
\varepsilon=2I(R\cos\theta +X\sin\theta) \\[ 5pt ]
\end{eqnarray}
\]
そして練習問題にて,三相\( \ 3 \ \)線式送電線の電圧降下の式を導出します。
\[
\begin{eqnarray}
\varepsilon=\sqrt{3}I(R\cos\theta +X\sin\theta) \\[ 5pt ]
\end{eqnarray}
\]
単相\( \ 2 \ \)線式送電線の電圧降下
単相\( \ 2 \ \)線式線路の回路図は図\( \ 1 \ \)の通りです。
その名の通り電線が行きと戻りの\( \ 2 \ \)つあるため,電圧降下が\( \ 2 \ \)段階で発生します。

送電端電圧を\( \ \dot{V_{\mathrm {s}}} \ \),受電端電圧を\( \ \dot{V_{\mathrm {r}}} \ \)とすると,
電圧降下\( \ \varepsilon \ \)の大きさは,送電端電圧の大きさから,受電端電圧の大きさを引いたものです。
\[
\begin{eqnarray}
\varepsilon=V_{\mathrm {s}}-V_{\mathrm {r}} \\[ 5pt ]
\end{eqnarray}
\]
大きさですから,この式はベクトルではない(ドットが付かないこと)にご注意ください。
電流を\( \ I \ \),負荷の力率が,遅れ力率\( \ \cos \theta \ \),電線\( \ 1 \ \)本あたりの抵抗を\( \ R \ \),リアクタンスを\( \ X \ \)だとします(図\( \ 2 \ \))。

回路図より,電圧について以下の式が成立します。
\[
\begin{eqnarray}
送電端電圧\dot{V_{\mathrm {s}}} =電線の抵抗にかかる電圧+電線のリアクタンスにかかる電圧+受電端電圧を \dot{V_{\mathrm {r}}} \\[ 5pt ]
\end{eqnarray}
\]
これをベクトル図に描くことで,電圧降下\( \ \varepsilon \ \)を導出します。
電圧降下を求めるベクトル図の描き方
①まずは基準ベクトルを決めます。何でもいいのですが,直列回路なので電流\( \ \dot{I} \ \)にしましょう(図\( \ 3 \ \))。
次に,受電端電圧\( \ \dot{V_{\mathrm {r}}} \ \)を描きます。
負荷の力率が,遅れ力率\( \ \cos \theta \ \)ですから,\( \ \dot{I} \ \)から反時計回りに\( \ \theta \ \)だけ回転させた向きです。大きさは適当に描きましょう。
※一般的には受電端電圧を基準にすることが多く,多くの参考書・解説サイトではそのように描かれています。
しかし,本サイトでは以下の理由から電流を基準にして解説します。
・\( \ \mathrm {RLC} \ \)直列回路の問題を数多く解いていくと,「直列では電流を基準にするのが便利だ」と分かっていくため
・電流を基準,つまり右向きにすると,電線の抵抗にかかる電圧は右向き,電線のリアクタンスにかかる電圧は上向きとなり,図が描きやすい。
これに対して受電端電圧を基準にすると斜めのベクトルが多く,描きづらいです。
②続いて,電線の抵抗にかかる電圧のベクトルを描きます。
電圧ベクトルの向きは,電流と同じです。抵抗では電圧と電流に位相差は生じないためです。
電圧ベクトルの大きさは,抵抗値\( \ R \ \)に,電流の大きさ\( \ I \ \)をかけるだけですが,
行きと帰りで抵抗\( \ 2 \ \)つ分となるので,\( \ 2RI \ \)です。
③電線のリアクタンスにかかる電圧のベクトルを描きます。
電圧ベクトルの向きは,電流より\( \ \displaystyle \frac{\pi}{2} \ \)遅れです。回路図において電線の電圧降下は,抵抗とコイルの組み合わせで表現されるので,コイルにおける電圧と電流の位相差の関係をあてはめればよいです。
ベクトルの大きさは,リアクタンス\( \ X \ \)に,電流の大きさ\( \ I \ \)をかけるだけですが,
行きと帰りで抵抗\( \ 2 \ \)つ分となるので,\( \ 2XI \ \)です。
④これら\( \ 3 \ \)つのベクトルの合計が,送電端電圧\( \ \dot{V_{\mathrm {s}}} \ \)となります。

⑤ここで,\( \ \dot{V_{\mathrm {s}}} \ \)と\( \ \dot{V_{\mathrm {r}}} \ \)の位相差が十分に小さいと仮定します。図\( \ 4 \ \)の黄色い角度が十分に小さいと仮定するのです。すると,電圧降下つまり\( \ V_{\mathrm {s}}-V_{\mathrm {r}} \ \)は図中の赤点線となります。

⑥赤点線の長さはそのままでは求められないので,\( \ 2 \ \)つに分けます。直角の頂点から垂線をおろして,左側を\( \ A \ \),右側を\( \ B \ \)とします。
⑦オレンジ色のベクトルは,電線の抵抗にかかる電圧でしたね。電流ベクトル\( \ \dot{I} \ \)と同じ向きですから,赤点線とのなす角は\( \ \theta \ \)となります。
ということは,黄色の三角形は斜辺\( \ 2 RI \ \)の直角三角形ですから,\( \ A \ \)の長さは\( \ 2 RI \times \cos \theta \ \)となります(図\( \ 5 \ \))。

⑧続いて,赤点線の右側である\( \ B \ \)の長さを求めます。
⑨緑色の垂線の右側にもう一つ垂線を描いてあげると,図中の赤実線の長さも\( \ B \ \)です(図\( \ 6 \ \))。

⑩水色と黄緑の三角形は,いずれも直角三角形なので,赤色の角度は\( \ \theta \ \)となります。
⑪紫色のベクトルは,電線のリアクタンスにかかる電圧でしたね。つまり黄色の三角形は斜辺\( \ 2 XI \ \)の直角三角形ですから,\( \ B \ \)の長さは\( \ 2 XI \times \sin \theta \ \)となります(図\( \ 7 \ \))。

⑫まとめると,赤点線部分は\( \ 2 RI \cos \theta +2 XI \sin \theta \ \)となります(図\( \ 8 \ \))。

以上より,電圧降下の式が導出できました。
\[
\begin{eqnarray}
\varepsilon&=&2 RI \cos \theta +2 XI \sin \theta \\[ 5pt ]
&=&2I(R\cos\theta +X\sin\theta) \\[ 5pt ]
\end{eqnarray}
\]
練習問題
三相\( \ 3 \ \)線式送電線の電圧降下の式を導出しましょう。
まず,三相\( \ 3 \ \)線式の送電線の一相分の回路を描きます(図\( \ 9 \ \))。

この一相分の回路において,送電端の電圧が\( \ \displaystyle \frac{\dot{V_{\mathrm {s}}}}{\sqrt{3}} \ \),受電端の電圧が\( \ \displaystyle \frac{\dot{V_{\mathrm {r}}}}{\sqrt{3}} \ \)となります。
なぜ\( \ \displaystyle \frac{1}{\sqrt{3}} \ \)倍になるかですが,図\( \ 9 \ \)の元の回路を見ていただくと分かる通り,ここが元の回路の相電圧になるからです。
※ベクトル⑨で学習した通り,線間電圧の\( \ \displaystyle \frac{1}{\sqrt{3}} \ \)倍が相電圧となります。
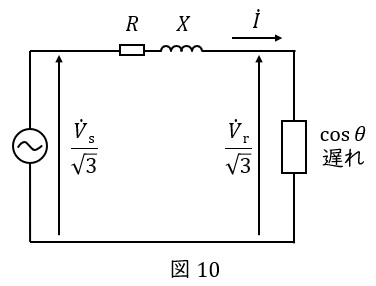
電流を\( \ I \ \),負荷の力率が,遅れ力率\( \ \cos \theta \ \),電線\( \ 1 \ \)本あたりの抵抗を\( \ R \ \),リアクタンスを\( \ X \ \)だとします(図\( \ 10 \ \))。

ここからの方針を説明します。まずベクトル図を用いて\( \ \displaystyle \frac{V_{\mathrm {s}}}{\sqrt{3}}-\frac{V_{\mathrm {r}}}{\sqrt{3}} \ \)を求めます。
これを\( \ \sqrt{3} \ \)倍することで,\( \ V_{\mathrm {s}}-V_{\mathrm {r}} \ \),つまり電圧降下\( \ \varepsilon \ \)を導出します。
では,ベクトル図を用いて\( \ \displaystyle \frac{V_{\mathrm {s}}}{\sqrt{3}}-\frac{V_{\mathrm {r}}}{\sqrt{3}} \ \)を求めます。
①まずは基準ベクトルを決めます。何でもいいのですが,直列回路なので電流\( \ \dot{I} \ \)にしましょう。
次に,受電端電圧\( \ \displaystyle \frac{\dot{V_{\mathrm {r}}}}{\sqrt{3}} \ \)を描きます。
負荷の力率が,遅れ力率\( \ \cos \theta \ \)ですから,\( \ \dot{I} \ \)から反時計回りに\( \ \theta \ \)だけ回転させた向きです。大きさは適当に描きましょう。
②続いて,電線の抵抗にかかる電圧のベクトルを描きます。
電圧ベクトルの向きは,電流と同じです。抵抗では電圧と電流に位相差は生じないためです。
電圧ベクトルの大きさは,抵抗値\( \ R \ \)に,電流の大きさ\( \ I \ \)をかけて,\( \ RI \ \)です。
③電線のリアクタンスにかかる電圧のベクトルを描きます。
電圧ベクトルの向きは,電流より\( \ \displaystyle \frac{\pi}{2} \ \)遅れです。回路図において電線の電圧降下は,抵抗とコイルの組み合わせで表現されるので,コイルにおける電圧と電流の位相差の関係をあてはめればよいです。
ベクトルの大きさは,リアクタンス\( \ X \ \)に,電流の大きさ\( \ I \ \)をかけて,\( \ XI \ \)です。
④これら\( \ 3 \ \)つのベクトルの合計が,送電端電圧\( \ \displaystyle \frac{\dot{V_{\mathrm {s}}}}{\sqrt{3}} \ \)となります(図\( \ 11 \ \))。

⑤ここで,\( \ \displaystyle \frac{\dot{V_{\mathrm {s}}}}{\sqrt{3}} \ \)と\( \ \displaystyle \frac{\dot{V_{\mathrm {r}}}}{\sqrt{3}} \ \)の位相差が十分に小さいと仮定します。
図\( \ 12 \ \)の黄色い角度が十分に小さいと仮定するのです。すると,\( \ \displaystyle \frac{\dot{V_{\mathrm {s}}}}{\sqrt{3}}-\frac{\dot{V_{\mathrm {r}}}}{\sqrt{3}} \ \)は図中の赤点線となります。

⑥赤点線の長さはそのままでは求められないので,\( \ 2 \ \)つに分けます。直角の頂点から垂線をおろして,左側を\( \ A \ \),右側を\( \ B \ \)とします。
⑦オレンジ色のベクトルは,電線の抵抗にかかる電圧でしたね。電流ベクトル\( \ \dot{I} \ \)と同じ向きですから,赤点線とのなす角は\( \ \theta \ \)となります。
ということは,黄色の三角形は斜辺\( \ RI \ \)の直角三角形ですから,\( \ A \ \)の長さは\( \ RI \times \cos \theta \ \)となります(図\( \ 13 \ \))。

⑧続いて,赤点線の右側である\( \ B \ \)の長さを求めます。
⑨緑色の垂線の右側にもう一つ垂線を描いてあげると,図中の赤実線の長さも\( \ B \ \)です(図\( \ 14 \ \))。

⑩水色と黄緑の三角形は,いずれも直角三角形なので,赤色の角度は\( \ \theta \ \)となります。
⑪紫色のベクトルは,電線のリアクタンスにかかる電圧でしたね。つまり黄色の三角形は斜辺\( \ XI \ \)の直角三角形ですから,\( \ B \ \)の長さは\( \ XI \times \sin \theta \ \)となります(図\( \ 15 \ \))。

⑫まとめると,赤点線部分は\( \ RI \cos \theta + XI \sin \theta \ \)となります(図\( \ 16 \ \))。

つまり,以下の式が導出できました。
\[
\begin{eqnarray}
\displaystyle \frac{V_{\mathrm {s}}}{\sqrt{3}}-\frac{V_{\mathrm {r}}}{\sqrt{3}}= RI \cos \theta + XI \sin \theta \\[ 5pt ]
\end{eqnarray}
\]
これを\( \ \sqrt{3} \ \)倍することで,\( \ V_{\mathrm {s}}-V_{\mathrm {r}} \ \)つまり電圧降下\( \ \varepsilon \ \)が導出できます。
\[
\begin{eqnarray}
\varepsilon&=&V_{\mathrm {s}}-V_{\mathrm {r}}\\[ 5pt ]
&=&\sqrt{3} \times \left(\displaystyle \frac{V_{\mathrm {s}}}{\sqrt{3}}-\frac{V_{\mathrm {r}}}{\sqrt{3}}\right)\\[ 5pt ]
&=&\sqrt{3}( RI \cos \theta + XI \sin \theta) \\[ 5pt ]
&=&\sqrt{3}I(R\cos\theta +X\sin\theta) \\[ 5pt ]
\end{eqnarray}
\]


