Contents
【問題】
【難易度】★★☆☆☆(やや易しい)
次の文章は,単相電圧形インバータに関する記述である。文中の\( \ \fbox{$\hskip3em\Rule{0pt}{0.8em}{0em}$} \ \)に当てはまる最も適切なものを解答群の中から選べ。
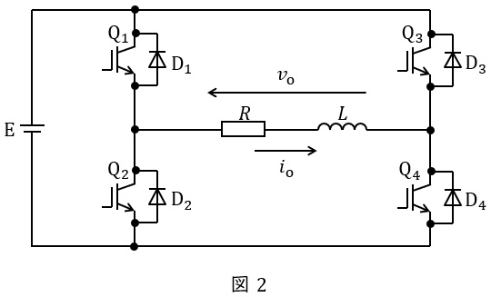
パワーエレクトロニクス回路において,インバータは直流を交流に変換する回路である。図は,スイッチングデバイスとして\( \ \mathrm {IGBT} \ \)を用いた場合の直流電源を\( \ \mathrm {E} \ \)とする単相電圧形インバータの回路図を示している。電圧形インバータの出力電圧は方形波であるが,\( \ \fbox { (1) } \ \)負荷の場合には,出力電流は連続した波形となる。この負荷の場合では,負荷に流れる電流経路を確保するために四つの\( \ \mathrm {IGBT} \ \)には逆並列にダイオードがそれぞれ接続される。また,同時に\( \ \mathrm {ON} \ \)できる\( \ \mathrm {IGBT} \ \)の数は\( \ \fbox { (2) } \ \)である。現在では,電圧形インバータに使用されるスイッチングデバイスとして\( \ \mathrm {IGBT} \ \)の他には\( \ \fbox { (3) } \ \)が広く使用されている。
電圧形インバータの制御手法としては,\( \ \fbox { (4) } \ \)(パルス幅変調)制御が広く採用され,\( \ \fbox { (4) } \ \)制御を行うための信号生成には変調波として正弦波,搬送波として三角波を用いることが一般的である。搬送波はインバータの\( \ \fbox { (5) } \ \)周波数を決定し,太陽光発電用パワーコンディショナに使用するインバータでは変調波周波数に対して\( \ 40 \ \)倍以上に設定されることが多い。
〔問4の解答群〕
\[
\begin{eqnarray}
&(イ)& \mathrm {PWM} &(ロ)& カットオフ &(ハ)& スイッチング \\[ 5pt ]
&(ニ)& 一つ &(ホ)& 誘導性 &(ヘ)& 容量性 \\[ 5pt ]
&(ト)& 共振 &(チ)& \mathrm {MOSFET} &(リ)& 抵抗性 \\[ 5pt ]
&(ヌ)& 三つ &(ル)& 二つ &(ヲ)& \mathrm {PDM} \\[ 5pt ]
&(ワ)& \mathrm {PAM} &(カ)& ダイオード &(ヨ)& バリスタ \\[ 5pt ]
\end{eqnarray}
\]
【ワンポイント解説】
単相電圧形インバータの動作や特徴に関する問題です。
\( \ 3 \ \)種でも出題されることもある内容ですが,パワーエレクトロニクスは苦手とする受験生も多い分野です。
最も大事なのは動作原理となりますので,必ず理解するようにして下さい。
1.単相ブリッジインバータの動作
本問の単相ブリッジインバータの動作は以下の通りとなります。ただし,各素子の記号は図1-1~1-4のように置きます。各素子の役割や電流の流れを理解していると様々な問題に対応できます。
①\( \ \mathrm {Q_{1}} \ \)及び\( \ \mathrm {Q_{4}} \ \)が\( \ \mathrm {ON} \ \)になり十分に時間が経過した後
図1-1に示すように\( \ \mathrm {E} \ \)→\( \ \mathrm {Q_{1}} \ \)→\( \ R \ \)→\( \ L \ \)→\( \ \mathrm {Q_{4}} \ \)→\( \ \mathrm {E} \ \)と導通します。
図1-1より出力端子の電圧は\( \ v_{\mathrm {o}}=\mathrm {E} \ \)となり,出力電流\( \ i_{\mathrm {o}}>0 \ \)でリアクトル\( \ L \ \)にエネルギーが蓄えられます。
②\( \ \mathrm {Q_{2}} \ \)及び\( \ \mathrm {Q_{3}} \ \)が\( \ \mathrm {ON} \ \)になった直後
リアクトル\( \ L \ \)が電流\( \ i_{\mathrm {o}}>0 \ \)を維持しようとするので,リアクトル\( \ L \ \)に蓄えられているエネルギーが放出し,図1-2に示すように\( \ L \ \)→\( \ \mathrm {D_{3}} \ \)→\( \ \mathrm {E} \ \)→\( \ \mathrm {D_{2}} \ \)→\( \ R \ \)→\( \ L \ \)と導通します。
図1-2より出力端子の電圧は\( \ v_{\mathrm {o}}=-\mathrm {E} \ \)となり,出力電流\( \ i_{\mathrm {o}}>0 \ \)でリアクトル\( \ L \ \)のエネルギーが放出されます。
③\( \ \mathrm {Q_{2}} \ \)及び\( \ \mathrm {Q_{3}} \ \)が\( \ \mathrm {ON} \ \)になり十分に時間が経過した後
リアクトル\( \ L \ \)のエネルギーがなくなり,図1-3に示すように\( \ \mathrm {E} \ \)→\( \ \mathrm {Q_{3}} \ \)→\( \ L \ \)→\( \ R \ \)→\( \ \mathrm {Q_{2}} \ \)→\( \ \mathrm {E} \ \)と導通します。
図1-3より出力端子の電圧は\( \ v_{\mathrm {o}}=-\mathrm {E} \ \)となり,出力電流\( \ i_{\mathrm {o}}<0 \ \)でリアクトル\( \ L \ \)にエネルギーが蓄えられます。
④\( \ \mathrm {Q_{1}} \ \)及び\( \ \mathrm {Q_{4}} \ \)が\( \ \mathrm {ON} \ \)になった直後
リアクトル\( \ L \ \)が電流\( \ i_{\mathrm {o}}<0 \ \)を維持しようとするので,リアクトル\( \ L \ \)に蓄えられているエネルギーが放出し,図1-4に示すように\( \ L \ \)→\( \ R \ \)→\( \ \mathrm {D_{1}} \ \)→\( \ \mathrm {E} \ \)→\( \ \mathrm {D_{4}} \ \)→\( \ L \ \)と導通します。
図1-4より出力端子の電圧は\( \ v_{\mathrm {o}}=\mathrm {E} \ \)となり,出力電流\( \ i_{\mathrm {o}}<0 \ \)でリアクトル\( \ L \ \)のエネルギーが放出されます。
以降①~④を繰り返します。
2.単相\( \ \mathrm {PWM} \ \)インバータの回路構成と出力波形
図2に単相\( \ \mathrm {PWM} \ \)インバータの回路構成,図3に出力波形の例を示します。
\( \ \mathrm {PWM} \ \)制御では図2において,対になっているスイッチ\( \ \mathrm {Q_{1}} \ \)と\( \ \mathrm {Q_{2}} \ \),\( \ \mathrm {Q_{3}} \ \)と\( \ \mathrm {Q_{4}} \ \)を搬送波(三角波)と信号波を大小比較もしくは周期的にオンオフ切換を行い交流出力を得ます。
出力波形は図3に示すような波形となり,パルス幅で出力電圧を調整することができます。


【解答】
(1)解答:ホ
題意より解答候補は,(ホ)誘導性,(ヘ)容量性,(リ)抵抗性,になると思います。
ワンポイント解説「1.単相ブリッジインバータの動作」の通り,誘導性負荷の場合には,リアクトルでのエネルギー蓄積,放出により電流を維持する働きがあるため,出力電流は連続した波形となります。
(2)解答:ル
題意より解答候補は,(ニ)一つ,(ヌ)三つ,(ル)二つ,になると思います。
ワンポイント解説「1.単相ブリッジインバータの動作」の通り,同時に\( \ \mathrm {ON} \ \)できる\( \ \mathrm {IGBT} \ \)の数は二つとなります。
(3)解答:チ
題意より解答候補は,(チ)\( \ \mathrm {MOSFET} \ \),(カ)ダイオード,(ヨ)バリスタ,になると思います。
このうち電圧形インバータに使用されるスイッチングデバイスとして使用可能なのは\( \ \mathrm {MOSFET} \ \)となります。
(4)解答:イ
題意より解答候補は,(イ)\( \ \mathrm {PWM} \ \),(ヲ)\( \ \mathrm {PDM} \ \),(ワ)\( \ \mathrm {PAM} \ \),になると思います。
ワンポイント解説「2.単相\( \ \mathrm {PWM} \ \)インバータの回路構成と出力波形」の通り,電圧形インバータの制御手法として広く採用され,制御を行うための変調波として正弦波,搬送波として三角波を用いることが一般的なのは\( \ \mathrm {PWM} \ \)制御となります。
(5)解答:ハ
題意より解答候補は,(ロ)カットオフ,(ハ)スイッチング,(ト)共振,になると思います。
ワンポイント解説「2.単相\( \ \mathrm {PWM} \ \)インバータの回路構成と出力波形」の通り,搬送波はインバータのスイッチング周波数を決定します。




【令和8年度版2種一次試験】








愛知県出身 愛称たけちゃん
詳しくは