《機械》〈同期機〉[R07:問1]三相円筒形同期機のフェーザ図に関する空欄穴埋問題

【問題】

【難易度】★★★☆☆(普通)

次の文章は,三相円筒形同期機に関する記述である。文中及び図中の\( \ \fbox{$\hskip3em\Rule{0pt}{0.8em}{0em}$} \ \)に当てはまる最も適切なものを解答群の中から選べ。

図は遅れ力率で発電機運転している三相円筒形同期機のフェーザ図である。界磁電流によって\( \ \fbox {  (1)  } \ \)が発生し,\( \ \fbox {  (1)  } \ \)から位相が\( \ 90^{\circ } \ \)遅れて\( \ \fbox {  (2)  } \ \)が電機子巻線に発生する。

電機子電流によって\( \ \fbox {  (3)  } \ \)が発生し,\( \ \fbox {  (1)  } \ \)と\( \ \fbox {  (3)  } \ \)を合成したものが合成起磁力である。合成起磁力から位相が\( \ 90^{\circ } \ \)遅れて\( \ \fbox {  (4)  } \ \)が電機子巻線に発生する。

また,電機子抵抗が十分小さく無視できる場合では,\( \ \fbox {  (4)  } \ \)から\( \ \fbox {  (5)  } \ \)による電圧降下をベクトル的に減じた電圧が端子電圧である。

〔問1の解答群〕
\[
\begin{eqnarray}
&(イ)& 界磁磁束密度     &(ロ)& ギャップ磁束 \\[ 5pt ] &(ハ)& 電機子反作用起磁力     &(ニ)& 界磁起磁力 \\[ 5pt ] &(ホ)& 減磁作用起磁力     &(ヘ)& 交差磁化作用起磁力 \\[ 5pt ] &(ト)& 定格誘導起電力     &(チ)& 内部誘導起電力 \\[ 5pt ] &(リ)& 電機子反作用起電力     &(ヌ)& 定常起電力 \\[ 5pt ] &(ル)& 電機子誘導起電力       &(ヲ)& 無負荷誘導起電力 \\[ 5pt ] \end{eqnarray}
\] \[
\begin{eqnarray}
&(ワ)& 電機子反作用リアクタンス \\[ 5pt ] &(カ)& 同期リアクタンス \\[ 5pt ] &(ヨ)& 電機子漏れリアクタンス \\[ 5pt ] \end{eqnarray}
\]

【ワンポイント解説】

同期発電機のフェーザ図に関する問題です。
\( \ 3 \ \)種では電機子反作用リアクタンスと電機子漏れリアクタンスを合わせ,同期リアクタンスとして出題されることが多かったですが,本問はそれを少しだけ深堀りした内容となっています。
名称を覚えてしまえば難解ではありませんので,ここで覚えてしまうようにして下さい。
また,電機子反作用とフェーザ図の関係は平成21年問5に出題されていますので,合わせて学習してみてください。

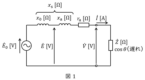
1.同期発電機の等価回路
同期発電機の一相分等価回路は無負荷誘導起電力(相電圧)\( \ {\dot E}_{0} \ \mathrm {[V]} \ \),電機子反作用リアクタンス降下を差し引いた内部誘導起電力(相電圧)\( \ \dot E \ \mathrm {[V]} \ \),端子電圧(相電圧)\( \ \dot V \ \mathrm {[V]} \ \),電機子電流\( \ \dot I \ \mathrm {[A]} \ \),電機子反作用リアクタンス\( \ x_{\mathrm {0}} \ \mathrm {[\Omega ]} \ \),電機子漏れリアクタンス\( \ x_{\mathrm {a}} \ \mathrm {[\Omega ]} \ \),同期リアクタンス\( \ x_{\mathrm {s}}\left( =x_{\mathrm {0}}+x_{\mathrm {a}}\right) \ \mathrm {[\Omega ]} \ \),電機子巻線抵抗\( \ r_{\mathrm {a}} \ \mathrm {[\Omega ]} \ \),負荷(遅れ)\( \ \dot Z \ \mathrm {[\Omega ]} \ \)とすると,図1のようになります。
通常,電機子巻線抵抗\( \ r_{\mathrm {a}} \ \mathrm {[\Omega ]} \ \)は十分に小さいと考え,無視して考えることが一般的です。
また,等価回路よりベクトル図は図2のようになります。ただし,\( \ \theta \ \)は力率角です。


【解答】

ワンポイント解説「1.同期発電機の等価回路」に沿ってフェーザ図を描くと図3のようになりますので,図3を用いて解説していきます。

(1)解答:ニ
題意より解答候補は,(ハ)電機子反作用起磁力,(ニ)界磁起磁力,(ホ)減磁作用起磁力,(ヘ)交差磁化作用起磁力,になると思います。
図3の通り,界磁電流によって得られるのは界磁起磁力となります。

(2)解答:ヲ
題意より解答候補は,(ト)定格誘導起電力,(チ)内部誘導起電力,(リ)電機子反作用起電力,(ヌ)定常起電力,(ル)電機子誘導起電力,(ヲ)無負荷誘導起電力,になると思います。
ワンポイント解説「1.同期発電機の等価回路」及び図3の通り,界磁起磁力により位相が\( \ 90^{\circ } \ \)遅れて発生する起電力を無負荷誘導起電力といいます。

(3)解答:ハ
題意より解答候補は,(ハ)電機子反作用起磁力,(ニ)界磁起磁力,(ホ)減磁作用起磁力,(ヘ)交差磁化作用起磁力,になると思います。
図3の通り,電機子電流によって得られるのは電機子反作用起磁力となります。

(4)解答:チ
題意より解答候補は,(ト)定格誘導起電力,(チ)内部誘導起電力,(リ)電機子反作用起電力,(ヌ)定常起電力,(ル)電機子誘導起電力,(ヲ)無負荷誘導起電力,になると思います。
ワンポイント解説「1.同期発電機の等価回路」及び図3の通り,合成起磁力により位相が\( \ 90^{\circ } \ \)遅れて発生する起電力を内部誘導起電力といいます。

(5)解答:ヨ
題意より解答候補は,(ワ)電機子反作用リアクタンス,(カ)同期リアクタンス,(ヨ)電機子漏れリアクタンス,になると思います。
ワンポイント解説「1.同期発電機の等価回路」及び図3の通り,内部誘導起電力から電機子漏れリアクタンスによる電圧降下をベクトル的に減じた電圧が端子電圧となります。



記事下のシェアタイトル