【問題】
【難易度】★★★★☆(やや難しい)
次の文章は,メカトロニクスを応用した自動化システムのディジタルインタフェースに関する記述である。文中の\( \ \fbox{$\hskip3em\Rule{0pt}{0.8em}{0em}$} \ \)に当てはまる最も適切なものを解答群の中から選べ。
メカトロニクス技術を応用した自動組立ラインなどが多くの工場で用いられている。これら自動化システムは,各種センサやスイッチなどの入力機器や,アクチュエータや表示装置などの出力機器が,制御機器と接続されて構成されている。
オン,オフの状態や数値データなどを表すディジタル信号は,制御機器と各機器の間では,ディジタル入出力インタフェースにより接続される場合がある。
ディジタル入力として,押しボタンスイッチやリレーなどの\( \ \fbox { (1) } \ \)で制御機器に入力するときは,状態遷移の瞬間にオン,オフ動作を高速に繰り返す\( \ \fbox { (2) } \ \)を生じることがあり,意図しない動作を引き起こす原因となるため,留意を要する。
対策の例として,ローパスフィルタと共に入力側のしきい値に\( \ \fbox { (3) } \ \)のあるシュミットトリガ回路を組み合わせて用いることや,信号遷移を検出した際に\( \ \fbox { (2) } \ \)の発生する期間は状態を判定させないようにするプログラム側の処置がある。
ディジタル出力には,負荷側から電流が流入する\( \ \fbox { (4) } \ \)タイプとその逆のソースタイプがある。
モータなどの駆動系を制御する場合は,ノイズの影響を抑制するため,ディジタル入出力を\( \ \fbox { (5) } \ \)することが多く,このためのデバイスとして\( \ \fbox { (6) } \ \)が広く用いられている。これは\( \ \mathrm {LED} \ \)と\( \ \fbox { (7) } \ \)が対になったもので,光により信号を伝達させる。\( \ \mathrm {LED} \ \)は経年変化により光量が減衰するため,\( \ \fbox { (6) } \ \)を長寿命とするには,要求される出力電流や電流伝達率\( \ \mathrm {(CTR)} \ \)より\( \ \mathrm {LED} \ \)の\( \ \fbox { (8) } \ \)を設定する必要がある。
〔問7の解答群〕
\[
\begin{eqnarray}
&(イ)& ホトカプラ &(ロ)& ヒステリシス &(ハ)& 機械接点 \\[ 5pt ]
&(ニ)& 逆電圧 &(ホ)& 昇圧 &(ヘ)& 順電流 \\[ 5pt ]
&(ト)& ホトトランジスタ &(チ)& 電子接点 &(リ)& ラッチアップ \\[ 5pt ]
&(ヌ)& ダイオード &(ル)& 絶縁 &(ヲ)& チャタリング \\[ 5pt ]
&(ワ)& コモン &(カ)& パワートランジスタ &(ヨ)& クローズ \\[ 5pt ]
&(タ)& シンク &(レ)& キャパシタンス &(ソ)& インダクタンス \\[ 5pt ]
&(ツ)& 増幅 &(ネ)& ユニジャンクショントランジスタ \\[ 5pt ]
\end{eqnarray}
\]
【ワンポイント解説】
自動化システムのディジタルインタフェースに関する問題です。
基本的には選択問題でしか出題されませんので,専門としている方以外は特別な勉強は不要かと思います。ただし,比較的選択肢が絞りやすく,用語としてのヒントも多いため,部分点狙いの問題として選択しても良いかもしれません。
1.シュミットトリガ回路
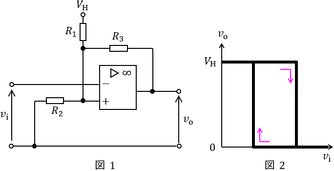
入力の状態遷移の瞬間にオンオフ動作を繰り返すチャタリングを防止するための回路としてシュミットトリガ回路があり,図1の例に示すような演算増幅器を用いて実現することができます。
図1の例の場合の入出力電圧の関係は図2のようになり,ヒステリシス特性を持つような出力を得ることができます。
シュミットトリガ回路に関しては,3種令和4年上期理論科目問13に出題されていますので,原理を理解されたい方はそちらの問題を解いてみて下さい。
2.制御機器の出力タイプの違い
制御機器の出力タイプにはシンクタイプとソースタイプがあり,それぞれ以下の違いがあります。
①シンクタイプ
負荷側から制御機器に電流が流入する方式で,マイナスコモン(マイナス側を共通回路とする)のタイプです。\( \ \mathrm {npn} \ \)トランジスタが使用されており,日本で多く利用されています。
②ソースタイプ
制御機器から負荷側に電流が流入する方式で,プラスコモンのタイプです。\( \ \mathrm {pnp} \ \)トランジスタが使用されており,欧州で多く利用されています。制御機器と負荷の間の線が地絡等を起こしても入力信号がオンとならないため,安全性に有利とされています。
3.フォトカプラ
ドライバ内の入出力を光で繋ぎ合わせる機器で,入力側に\( \ \mathrm {LED} \ \),出力側にフォトトランジスタ等の受光素子を設け,光信号で伝達させるものです。
異なる入出力電圧でも使用できること,ノイズの影響を抑制できること,入出力間を絶縁できること,等のメリットがあります。
【解答】
(1)解答:ハ
題意より解答候補は,(ハ)機械接点,(チ)電子接点,等になると思います。
押しボタンスイッチやリレーなどで,状態遷移の瞬間にオン,オフ動作を高速に繰り返す可能性があるものは機械節点式のものといいます。
(2)解答:ヲ
題意より解答候補は,(リ)ラッチアップ,(ヲ)チャタリング,等になると思います。
ワンポイント解説「1.シュミットトリガ回路」の通り,状態遷移の瞬間にオン,オフ動作を高速に繰り返すことをチャタリングといいます。
(3)解答:ロ
題意より解答候補は,(ロ)ヒステリシス,等になると思います。
ワンポイント解説「1.シュミットトリガ回路」の通り,シュミットトリガ回路を用いることで,入力側のしきい値にヒステリシス特性を持つことができます。
(4)解答:タ
題意より解答候補は,(ワ)コモン,(ヨ)クローズ,(タ)シンク,等になると思います。
ワンポイント解説「2.制御機器の出力タイプの違い」の通り,ディジタル出力で,負荷側から電流が流入するタイプをシンクタイプといいます。
(5)解答:ル
題意より解答候補は,(ホ)昇圧,(ル)絶縁,(ツ)増幅,等になると思います。
ワンポイント解説「3.フォトカプラ」の通り,モータなどの駆動系を制御する場合は,ノイズの影響を抑制するため,ディジタル入出力を絶縁させることが多いです。
(6)解答:イ
題意より解答候補は,(イ)ホトカプラ,等になると思います。
ワンポイント解説「3.フォトカプラ」の通り,ディジタル入出力を絶縁するためのデバイスとしてホトカプラ(フォトカプラ)があります。
(7)解答:ト
題意より解答候補は,(ト)ホトトランジスタ,(ヌ)ダイオード,(カ)パワートランジスタ,(レ)キャパシタンス,(ソ)インダクタンス,(ネ)ユニジャンクショントランジスタ,等になると思います。
ワンポイント解説「3.フォトカプラ」の通り,ホトカプラは\( \ \mathrm {LED} \ \)とホトトランジスタ(フォトトランジスタ)が対になり,光信号により伝達させるものです。
(8)解答:ヘ
題意より解答候補は,(ニ)逆電圧,(ヘ)順電流,等になると思います。
ホトカプラを長寿命とするためには,要求される出力電流や電流伝達率\( \ \mathrm {(CTR)} \ \)より\( \ \mathrm {LED} \ \)の順電流を設定する必要があります。














愛知県出身 愛称たけちゃん