Contents
【問題】
【難易度】★★★☆☆(普通)
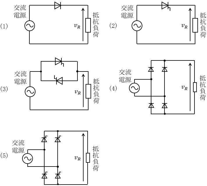
図に示す出力電圧波形\( \ v_{R} \ \)を得ることができる電力変換回路として,正しいのは次のうちどれか。
ただし,回路中の交流電源は正弦波交流電圧源とする。


【ワンポイント解説】
出力電圧波形から正しい電力変換回路を選択する問題です。
動作メカニズムを理解していれば正答を導き出すことができますが,受験生の正答率は低い問題と予想されます。
パワーエレクトロニクスの分野は動作原理を理解することが肝となりますので,以下の各動作を理解するようにしましょう。
1.単相半波ダイオード整流回路の動作
単相半波ダイオード整流回路の動作を図1及び図2に示します。
正弦波の電源電圧\( \ v_{\mathrm {s}} > 0 \ \)のときは,図1のようにダイオード\( \ \mathrm {D} \ \)が導通するため,出力側に電流が流れますが,電源電圧\( \ v_{\mathrm {s}} < 0 \ \)に切り換わると,ダイオード\( \ \mathrm {D} \ \)に対し逆方向の電圧が加わるため\( \ \mathrm {D} \ \)が導通せず,電流は流れなくなります。
したがって,出力電圧の波形は図3のようになり,整流されることになります。
平均出力電圧\( \ V_{\mathrm {d}} \ \mathrm {[V]} \ \)は,交流入力\( \ v=\sqrt {2}V \sin \omega t \ \mathrm {[V]} \ \)とすると,
\[
\begin{eqnarray}
V_{\mathrm {d}} &=& \frac {1}{2\pi }\int _{0}^{\pi }\sqrt {2}V\sin \omega t \mathrm {d}\omega t \\[ 5pt ]
&=& \frac {\sqrt {2}}{2\pi }V\left[ -\cos \omega t\right] _{0}^{\pi } \\[ 5pt ]
&=& \frac {\sqrt {2}}{2\pi }V\left( -\cos \pi +\cos 0 \right) \\[ 5pt ]
&=& \frac {\sqrt {2}}{2\pi }V\left\{ -\left( -1 \right) +1 \right\} \\[ 5pt ]
&=& \frac {\sqrt {2}}{\pi }V \\[ 5pt ]
&≃& 0.45V \\[ 5pt ]
\end{eqnarray}
\]
となります。
※積分の考え方を使用しているので,\( \ 3 \ \)種としては結果を暗記することになります。
2.単相半波サイリスタ整流回路の動作
単相半波サイリスタ整流回路の動作を図4及び図5に示します。
基本的な動作はダイオードと同じですが,サイリスタにはゲートによるターンオン制御が可能であるため,制御角\( \ \alpha \ \mathrm {[rad]} \ \)により出力平均電圧を調整することができます。
したがって,出力電圧の波形は図6のようになります。
平均出力電圧\( \ V_{\mathrm {d}} \ \mathrm {[V]} \ \)は,交流入力\( \ v=\sqrt {2}V \sin \omega t \ \mathrm {[V]} \ \)とすると,
\[
\begin{eqnarray}
V_{\mathrm {d}} &=& \frac {1}{2\pi }\int _{\alpha }^{\pi }\sqrt {2}V\sin \omega t \mathrm {d}\omega t \\[ 5pt ]
&=& \frac {\sqrt {2}}{2\pi }V\left[ -\cos \omega t\right] _{\alpha }^{\pi } \\[ 5pt ]
&=& \frac {\sqrt {2}}{2\pi }V\left( -\cos \pi +\cos \alpha \right) \\[ 5pt ]
&=& \frac {\sqrt {2}}{2\pi }V\left\{ -\left( -1 \right) +\cos \alpha \right\} \\[ 5pt ]
&=& \frac {\sqrt {2}}{\pi }V\frac {1+\cos \alpha }{2} \\[ 5pt ]
&≃& 0.45V\frac {1+\cos \alpha }{2}
\end{eqnarray}
\]
となります。
※積分の考え方を使用しているので,\( \ 3 \ \)種としては結果を暗記することになります。
3.単相ダイオードブリッジ整流回路の動作
図7,図8に示す単相ダイオードブリッジ整流回路は以下のように動作します。
①\( \ v_{\mathrm {s}}>0 \ \)のとき
図7のように,電流は交流電源→\( \ \mathrm {D}_{1} \ \)→負荷→\( \ \mathrm {D}_{4} \ \)→交流電源と流れます。出力電圧\( \ v_{\mathrm {d}} \ \)は素子の電圧降下が無視できるとすると,入力電圧\( \ v_{\mathrm {s}} \ \)と等しくなります。
②\( \ v_{\mathrm {s}}<0 \ \)のとき
図8のように,電流は交流電源→\( \ \mathrm {D}_{2} \ \)→負荷→\( \ \mathrm {D}_{3} \ \)→交流電源と流れます。出力電圧\( \ v_{\mathrm {d}} \ \)は素子の電圧降下が無視できるとすると,\( \ -v_{\mathrm {s}} \ \)となります。
したがって,出力電圧の波形は図9のようになります。
図9より平均出力電圧\( \ V_{\mathrm {d}} \ \mathrm {[V]} \ \)は,交流入力\( \ v=\sqrt {2}V \sin \omega t \ \mathrm {[V]} \ \)とすると,
\[
\begin{eqnarray}
V_{\mathrm {d}} &=& \frac {1}{\pi }\int _{0}^{\pi }\sqrt {2}V\sin \omega t \mathrm {d}\omega t \\[ 5pt ]
&=& \frac {\sqrt {2}}{\pi }V\left[ -\cos \omega t\right] _{0}^{\pi } \\[ 5pt ]
&=& \frac {\sqrt {2}}{\pi }V\left( -\cos \pi +\cos 0 \right) \\[ 5pt ]
&=& \frac {\sqrt {2}}{\pi }V\left\{ -\left( -1 \right) +1 \right\} \\[ 5pt ]
&=& \frac {2\sqrt {2}}{\pi }V \\[ 5pt ]
&≃& 0.90V \\[ 5pt ]
\end{eqnarray}
\]
となります。
※積分の考え方を使用しているので,\( \ 3 \ \)種としては結果を暗記することになります。
4.単相サイリスタブリッジ整流回路の動作
図10,図11に示す単相サイリスタブリッジ整流回路は以下のように動作します。
①\( \ v_{\mathrm {s}}>0 \ \)でサイリスタ\( \ \mathrm {T}_{1} \ \)と\( \ \mathrm {T}_{4} \ \)がオンとなったとき
図10のように,電流は交流電源→\( \ \mathrm {T}_{1} \ \)→負荷→\( \ \mathrm {T}_{4} \ \)→交流電源と流れます。出力電圧\( \ v_{\mathrm {d}} \ \)は素子の電圧降下が無視できるとすると,入力電圧\( \ v_{\mathrm {s}} \ \)と等しくなります。
②\( \ v_{\mathrm {s}}<0 \ \)でサイリスタ\( \ \mathrm {T}_{2} \ \)と\( \ \mathrm {T}_{3} \ \)がオンとなったとき
図11のように,電流は交流電源→\( \ \mathrm {T}_{2} \ \)→負荷→\( \ \mathrm {T}_{3} \ \)→交流電源と流れます。出力電圧\( \ v_{\mathrm {d}} \ \)は素子の電圧降下が無視できるとすると,\( \ -v_{\mathrm {s}} \ \)となります。
サイリスタにはゲートによるターンオン制御が可能であるため,制御角\( \ \alpha \ \mathrm {[rad]} \ \)により出力電圧の波形は図12のようになります。図12より,制御遅れ角\( \ \alpha \ \mathrm {[rad]} \ \)で制御しているとすると平均出力電圧\( \ V_{\mathrm {d}} \ \mathrm {[V]} \ \)は,交流入力\( \ v=\sqrt {2}V \sin \omega t \ \mathrm {[V]} \ \)とすると,
\[
\begin{eqnarray}
V_{\mathrm {d}} &=& \frac {1}{\pi }\int _{\alpha }^{\pi }\sqrt {2}V\sin \omega t \mathrm {d}\omega t \\[ 5pt ]
&=& \frac {\sqrt {2}}{\pi }V\left[ -\cos \omega t\right] _{\alpha }^{\pi } \\[ 5pt ]
&=& \frac {\sqrt {2}}{\pi }V\left( -\cos \pi +\cos \alpha \right) \\[ 5pt ]
&=& \frac {\sqrt {2}}{\pi }V\left\{ -\left( -1\right) +\cos \alpha \right\} \\[ 5pt ]
&=& \frac {\sqrt {2}}{\pi }V\left( 1 +\cos \alpha \right) \\[ 5pt ]
&=& \frac {2\sqrt {2}}{\pi }V\frac {1+\cos \alpha }{2} \\[ 5pt ]
&≃& 0.90V\frac {1+\cos \alpha }{2} \\[ 5pt ]
\end{eqnarray}
\]
となります。
※積分の考え方を使用しているので,\( \ 3 \ \)種としては結果を暗記することになります。
5.単相交流電力調整回路の動作
図13,図14に示す単相サイリスタブリッジ整流回路は以下のように動作します。
①\( \ v_{\mathrm {s}}>0 \ \)でサイリスタ\( \ \mathrm {T}_{1} \ \)がオンとなったとき
図13のように,電流は交流電源→\( \ \mathrm {T}_{1} \ \)→負荷→交流電源と流れます。出力電圧\( \ v_{\mathrm {d}} \ \)は素子の電圧降下が無視できるとすると,入力電圧\( \ v_{\mathrm {s}} \ \)と等しくなります。
②\( \ v_{\mathrm {s}}<0 \ \)でサイリスタ\( \ \mathrm {T}_{2} \ \)がオンとなったとき
図14のように,電流は交流電源→負荷→\( \ \mathrm {T}_{2} \ \)→交流電源と流れます。出力電圧\( \ v_{\mathrm {d}} \ \)は素子の電圧降下が無視できるとすると,入力電圧\( \ v_{\mathrm {s}} \ \)と等しくなります。
サイリスタにはゲートによるターンオン制御が可能であるため,制御角\( \ \alpha \ \mathrm {[rad]} \ \)により出力電圧の波形は図15のようになります。図15より,制御遅れ角\( \ \alpha \ \mathrm {[rad]} \ \)で制御しているとすると出力電圧の実効値\( \ V_{\mathrm {d}} \ \mathrm {[V]} \ \)は,交流入力\( \ v=\sqrt {2}V \sin \omega t \ \mathrm {[V]} \ \)とすると,
\[
\begin{eqnarray}
V_{\mathrm {d}} &=& \sqrt {\frac {1}{\pi }\int _{\alpha }^{\pi }\left( \sqrt {2}V\sin \omega t \right) ^{2} \mathrm {d}\omega t} \\[ 5pt ]
&=& V\sqrt {\frac {2}{\pi }\int _{\alpha }^{\pi } \sin ^{2}\omega t \mathrm {d}\omega t} \\[ 5pt ]
&=& V\sqrt {\frac {2}{\pi }\int _{\alpha }^{\pi } \frac {1-\cos 2\omega t }{2} \mathrm {d}\omega t} \\[ 5pt ]
&=& V\sqrt {\frac {1}{\pi }\int _{\alpha }^{\pi } \left( 1-\cos 2\omega t\right) \mathrm {d}\omega t} \\[ 5pt ]
&=& V\sqrt {\frac {1}{\pi }\left[ \omega t-\frac {1}{2}\sin 2\omega t\right] _{\alpha }^{\pi }} \\[ 5pt ]
&=& V\sqrt {\frac {1}{\pi }\left( \pi -\frac {1}{2}\sin 2 \pi -\alpha + \frac {1}{2}\sin 2 \alpha \right) } \\[ 5pt ]
&=& V\sqrt {\frac {1}{\pi }\left( \pi -\alpha + \frac {1}{2}\sin 2 \alpha \right) } \\[ 5pt ]
\end{eqnarray}
\]
となります。
※積分の考え方を使用しているので,\( \ 3 \ \)種としては結果を暗記することになりますが,上式はこれまでの試験では与えられています。
【解答】
解答:(3)
各ワンポイント解説の通り,各選択肢の回路は,
(1):単相半波ダイオード整流回路
(2):単相半波サイリスタ整流回路
(3):単相交流電力調整回路
(4):単相全波ダイオード整流回路
(5):単相全波サイリスタ整流回路
であり,問題の波形は,電流が制御角\( \ \alpha \ \)で入力電圧がそのまま出力されていることがわかる。
したがって,回路として適切なのは(3)と求められる。














愛知県出身 愛称たけちゃん
詳しくは