Contents
【問題】
【難易度】★★★☆☆(普通)
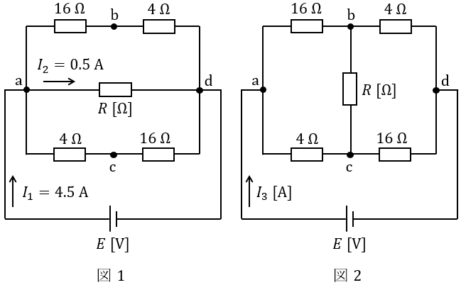
図の直流回路において,次の\( \ \mathrm {(a)} \ \)及び\( \ \mathrm {(b)} \ \)に答えよ。
ただし,電源電圧\( \ E \ \mathrm {[V]} \ \)の値は一定で変化しないものとする。
\( \ \mathrm {(a)} \ \) 図1のように抵抗\( \ R \ \mathrm {[\Omega ]} \ \)を端子\( \ \mathrm {a} \ \),\( \ \mathrm {d} \ \)間に接続したとき,\( \ I_{1}=4.5 \ \mathrm {A} \ \),\( \ I_{2}=0.5 \ \mathrm {A} \ \)の電流が流れた。抵抗\( \ R \ \)の値\( \ \mathrm {[\Omega ]} \ \)として,正しいものを次の(1)~(5)のうちから一つ選べ。
(1) \( \ 180 \ \) (2) \( \ 160 \ \) (3) \( \ 80 \ \) (4) \( \ 40 \ \) (5) \( \ 20 \ \)
\( \ \mathrm {(b)} \ \) 図1の抵抗\( \ R \ \mathrm {[\Omega ]} \ \)を図2のように端子\( \ \mathrm {b} \ \),\( \ \mathrm {c} \ \)間に接続し直したとき,回路に流れる電流\( \ I_{3} \ \)の値\( \ \mathrm {[A]} \ \)として,最も近いものを次の(1)~(5)のうちから一つ選べ。
(1) \( \ 5.5 \ \) (2) \( \ 4.8 \ \) (3) \( \ 4.5 \ \) (4) \( \ 4.2 \ \) (5) \( \ 4.0 \ \)
【ワンポイント解説】
回路を繋ぎ変えた直流回路の抵抗値と電流値に関する問題です。
(a)は易しいので確実に正答しておきたい問題ですが,(b)はやや難易度が高い問題です。網目電流法以外でも様々な解き方が考えられますが,ここでは計算量が比較的少なくて済む網目電流法で解説します。
本問は平成17年問15からの再出題となります。
1.網目電流法
キルヒホッフの法則の一つで,閉回路に流れる網目電流に着目し,回路方程式を立てる方法です。
例えば図3の回路で,各網目電流を\( \ I_{1} \ \mathrm {[A]} \ \)及び\( \ I_{2} \ \mathrm {[A]} \ \)とおけば,回路方程式は,
\[
\begin{eqnarray}
E_{1}&=&R_{3}\left( I_{1}-I_{2}\right) +RI_{1} \\[ 5pt ]
E_{2}&=&R_{2}I_{2}+R_{3}\left( I_{2}-I_{1}\right) \\[ 5pt ]
\end{eqnarray}
\]
のように立てることができます。
【解答】
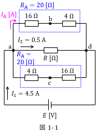
(a)解答:(3)
図1-1に示す回路の上下の合成抵抗は\( \ R_{\mathrm {A}}=20 \ \mathrm {[\Omega ]} \ \)なので,そこに流れる電流\( \ I_{\mathrm {A}} \ \mathrm {[A]} \ \)は,
\[
\begin{eqnarray}
I_{\mathrm {A}}&=&\frac {I_{1}-I_{2}}{2} \\[ 5pt ]
&=&\frac {4.5-0.5}{2} \\[ 5pt ]
&=&2.0 \ \mathrm {[A]} \\[ 5pt ]
\end{eqnarray}
\]
となるので,電源電圧\( \ E \ \mathrm {[V]} \ \)は,
\[
\begin{eqnarray}
E&=&R_{\mathrm {A}}I_{\mathrm {A}} \\[ 5pt ]
&=&20\times 2.0 \\[ 5pt ]
&=&40 \ \mathrm {[V]} \\[ 5pt ]
\end{eqnarray}
\]
となる。よって,求める抵抗\( \ R \ \mathrm {[\Omega ]} \ \)は,
\[
\begin{eqnarray}
R&=&\frac {E}{I_{2}} \\[ 5pt ]
&=&\frac {40.0}{0.5} \\[ 5pt ]
&=&80 \ \mathrm {[\Omega ]} \\[ 5pt ]
\end{eqnarray}
\]
と求められる。
(b)解答:(4)
図2-1に示すように各網目電流\( \ I_{Ⅰ} \ \mathrm {[A]} \ \),\( \ I_{Ⅱ} \ \mathrm {[A]} \ \),\( \ I_{Ⅲ} \ \mathrm {[A]} \ \)を設定する。
各回路方程式は,
\[
\begin{eqnarray}
E&=&16\left( I_{Ⅰ}+I_{Ⅲ}\right) +4I_{Ⅰ} \\[ 5pt ]
40&=&20I_{Ⅰ}+16I_{Ⅲ} \\[ 5pt ]
10&=&5I_{Ⅰ}+4I_{Ⅲ} &・・・・・・・・・・ ①& \\[ 5pt ]
E&=&4\left( I_{Ⅱ}-I_{Ⅲ}\right) +16I_{Ⅱ} \\[ 5pt ]
40&=&20I_{Ⅱ}-4I_{Ⅲ} \\[ 5pt ]
10&=&5I_{Ⅱ}-I_{Ⅲ} &・・・・・・・・・・ ②& \\[ 5pt ]
0&=&16\left( I_{Ⅰ}+I_{Ⅲ}\right)+80I_{Ⅲ}+4\left( I_{Ⅲ}-I_{Ⅱ}\right)\\[ 5pt ]
&=&16I_{Ⅰ}-4I_{Ⅱ}+100I_{Ⅲ} \\[ 5pt ]
&=&4I_{Ⅰ}-I_{Ⅱ}+25I_{Ⅲ} &・・・・・・・・・・ ③& \\[ 5pt ]
\end{eqnarray}
\]
となり,①及び②より,
\[
\begin{eqnarray}
5I_{Ⅰ}&=&10-4I_{Ⅲ} \\[ 5pt ]
I_{Ⅰ}&=&\frac {10-4I_{Ⅲ}}{5} &・・・・・・・・・・ ①^{\prime }& \\[ 5pt ]
5I_{Ⅱ}&=&10-I_{Ⅲ} \\[ 5pt ]
I_{Ⅱ}&=&\frac {10+I_{Ⅲ}}{5} &・・・・・・・・・・ ②^{\prime }& \\[ 5pt ]
\end{eqnarray}
\]
となるので,これを③に代入すると,
\[
\begin{eqnarray}
0&=&4I_{Ⅰ}-I_{Ⅱ}+25I_{Ⅲ} \\[ 5pt ]
&=&4\cdot \frac {10-4I_{Ⅲ}}{5} – \frac {10+I_{Ⅲ}}{5}+25I_{Ⅲ} \\[ 5pt ]
&=&4\left( 10-4I_{Ⅲ}\right) -\left( 10+I_{Ⅲ}\right) +125I_{Ⅲ} \\[ 5pt ]
&=&30+108I_{Ⅲ} \\[ 5pt ]
108I_{Ⅲ}&=&-30 \\[ 5pt ]
I_{Ⅲ}&=&-0.277 \ 8 \ \mathrm {[A]} \\[ 5pt ]
\end{eqnarray}
\]
となる。これを\( \ ①^{\prime } \ \)及び\( \ ②^{\prime } \ \)に代入すると,
\[
\begin{eqnarray}
I_{Ⅰ}&=&\frac {10-4I_{Ⅲ}}{5} \\[ 5pt ]
&=&\frac {10-4\times \left( -0.277 \ 8\right) }{5} \\[ 5pt ]
&≒&2.222 \ \mathrm {[A]} \\[ 5pt ]
I_{Ⅱ}&=&\frac {10+I_{Ⅲ}}{5} \\[ 5pt ]
&=&\frac {10-0.277 \ 8}{5} \\[ 5pt ]
&≒&1.944 \ \mathrm {[A]} \\[ 5pt ]
\end{eqnarray}
\]
となり,\( \ I_{3} \ \mathrm {[A]} \ \)は,
\[
\begin{eqnarray}
I_{3}&=&I_{Ⅰ}+I_{Ⅱ} \\[ 5pt ]
&=&2.222+1.944 \\[ 5pt ]
&≒&4.2 \ \mathrm {[A]} \\[ 5pt ]
\end{eqnarray}
\]
と求められる。















愛知県出身 愛称たけちゃん
詳しくは