Contents
【問題】
【難易度】★★☆☆☆(やや易しい)
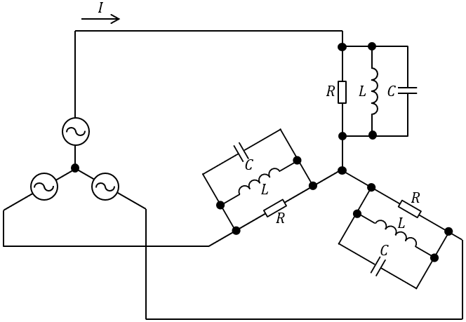
図のように線間電圧\( \ 200 \ \mathrm {V} \ \),周波数\( \ 50 \ \mathrm {Hz} \ \)の対称三相交流電源に\( \ \mathrm {RLC} \ \)負荷が接続されている。\( \ R=10 \ \mathrm {\Omega } \ \),電源角周波数を\( \ \omega \ \mathrm {[rad / s]} \ \)として,\( \ \omega L=20 \ \mathrm {\Omega } \ \),\( \ \displaystyle \frac {1}{\omega C}=20 \ \mathrm {\Omega } \ \)である。次の\( \ \mathrm {(a)} \ \)及び\( \ \mathrm {(b)} \ \)の問に答えよ。
\( \ \mathrm {(a)} \ \) 電源電流\( \ I \ \)の値\( \ \mathrm {[A]} \ \)として,最も近いものを次の(1)~(5)のうちから一つ選べ。
(1) \( \ 5.77 \ \) (2) \( \ 7.00 \ \) (3) \( \ 11.5 \ \) (4) \( \ 14.0 \ \) (5) \( \ 22.5 \ \)
\( \ \mathrm {(b)} \ \) 三相負荷の有効電力\( \ P \ \)の値\( \ \mathrm {[kW]} \ \)として,最も近いものを次の(1)~(5)のうちから一つ選べ。
(1) \( \ 2.6 \ \) (2) \( \ 1.3 \ \) (3) \( \ 4.0 \ \) (4) \( \ 3.5 \ \) (5) \( \ 12 \ \)
【ワンポイント解説】
三相交流回路の電源に流れる電流と負荷電力に関する問題です。
三相平衡回路の場合は,まず一相分の等価回路を描くことがポイントとなります。本問は三相回路の問題としては比較的取り組みやすい問題となりますので,ぜひしっかりと理解するようにして下さい。
本問は令和元年問16の数値を変更した問題です。
1.抵抗,コイル,コンデンサの電圧\( \ V \ \mathrm {[V]} \ \)と電流\( \ I \ \mathrm {[A]} \ \)の関係
抵抗\( \ R \ \mathrm {[\Omega ]} \ \),コイル\( \ L \ \mathrm {[H]} \ \),コンデンサ\( \ C \ \mathrm {[F]} \ \)があり,電源の角周波数\( \ \omega \ \mathrm {[rad / s]} \ \)及び周波数\( \ f \ \mathrm {[Hz]} \ \)が与えられているとき,それぞれのインピーダンスは,
\[
\begin{eqnarray}
{\dot Z}_{\mathrm {R}}&=&R&& \\[ 5pt ]
{\dot Z}_{\mathrm {L}}&=&\mathrm {j}\omega L&=&\mathrm {j}2\pi f L \\[ 5pt ]
{\dot Z}_{\mathrm {C}}&=&\frac {1}{\mathrm {j}\omega C}&=&\frac {1}{\mathrm {j}2\pi f C} \\[ 5pt ]
\end{eqnarray}
\]
で求められ,それぞれの電圧と電流の関係は,
\[
\begin{eqnarray}
{\dot V}_{\mathrm {R}}&=&R\dot I \\[ 5pt ]
{\dot V}_{\mathrm {L}}&=&\mathrm {j}\omega L \dot I \\[ 5pt ]
{\dot V}_{\mathrm {C}}&=&\frac {\dot I }{\mathrm {j}\omega C} \\[ 5pt ]
\end{eqnarray}
\]
となります。この関係をベクトル図に表すと,図1~図3となります。
2.有効電力\( \ P \ \mathrm {[W]} \ \)と無効電力\( \ Q \ \mathrm {[var]} \ \)
抵抗で消費される電力を有効電力\( \ P \ \mathrm {[W]} \ \),リアクタンスで消費もしくは供給される電力を無効電力\( \ Q \ \mathrm {[var]} \ \)と呼び,図4のようにベクトル図を描きます。さらに,有効電力\( \ P \ \mathrm {[W]} \ \)と無効電力\( \ Q \ \mathrm {[var]} \ \)のベクトル和は皮相電力\( \ S \ \mathrm {[V\cdot A]} \ \)と呼ばれ,
\[
\begin{eqnarray}
S&=&\sqrt {P^{2}+Q^{2}} \\[ 5pt ]
\end{eqnarray}
\]
の関係があります。図4において,力率は\( \ \cos \theta \ \)で定義され,
\[
\begin{eqnarray}
\cos \theta &=&\frac {P}{S} \\[ 5pt ]
\end{eqnarray}
\]
となります。
また,線路に電流\( \ I \ \mathrm {[A]} \ \)が流れているとき,皮相電力\( \ S \ \mathrm {[V\cdot A]} \ \),有効電力\( \ P \ \mathrm {[W]} \ \),無効電力\( \ Q \ \mathrm {[var]} \ \)は,インピーダンスを\( \ Z \ \mathrm {[\Omega ]} \ \),抵抗を\( \ R \ \mathrm {[\Omega ]} \ \),リアクタンスを\( \ X \ \mathrm {[\Omega ]} \ \)とすると,
\[
\begin{eqnarray}
S &=&ZI^{2} \\[ 5pt ]
P &=&RI^{2} \\[ 5pt ]
Q &=&XI^{2} \\[ 5pt ]
\end{eqnarray}
\]
となるため,\( \ Z \ \mathrm {[\Omega ]} \ \),\( \ R \ \mathrm {[\Omega ]} \ \),\( \ X \ \mathrm {[\Omega ]} \ \)に関しても電力と同様な図5のような関係を描くことができます。
【解答】
(a)解答:(3)
問題図の回路は三相平衡負荷であり,一相分等価回路は図6のようになる。
回路の合成インピーダンス\( \ Z \ \mathrm {[\Omega ]} \ \)は,
\[
\begin{eqnarray}
Z&=&\sqrt {R^{2}+\left( X_{\mathrm {L}}-X_{\mathrm {C}}\right) ^{2}} \\[ 5pt ]
&=&\sqrt {10^{2}+\left( 20-20\right) ^{2}} \\[ 5pt ]
&=&10 \ \mathrm {[\Omega ]} \\[ 5pt ]
\end{eqnarray}
\]
となるので,電源電流\( \ I \ \mathrm {[A]} \ \)は,
\[
\begin{eqnarray}
I&=&\frac {E}{Z} \\[ 5pt ]
&=&\frac {\displaystyle \frac {200}{\sqrt {3}}}{10} \\[ 5pt ]
&≒&11.5 \ \mathrm {[A]} \\[ 5pt ]
\end{eqnarray}
\]
と求められる。
(b)解答:(3)
図6より,一相あたりの有効電力\( \ P_{1} \ \mathrm {[W]} \ \)は,
\[
\begin{eqnarray}
P_{1}&=&\frac {E^{2}}{R} \\[ 5pt ]
&=&\frac {\left( \displaystyle \frac {200}{\sqrt {3}}\right) ^{2}}{10} \\[ 5pt ]
&=&\frac {4 \ 000}{3} \ \mathrm {[W]} \\[ 5pt ]
\end{eqnarray}
\]
であるので,三相負荷の有効電力\( \ P_{3} \ \mathrm {[W]} \ \)は,
\[
\begin{eqnarray}
P_{3}&=&3P_{1} \\[ 5pt ]
&=&4 \ 000 \ \mathrm {[W]} → 4 \ \mathrm {[kW]} \\[ 5pt ]
\end{eqnarray}
\]
と求められる。















愛知県出身 愛称たけちゃん
詳しくは