《機械》〈電気化学〉[H18:問13]R-L直列回路の周波数伝達関数に関する計算問題

【問題】

【難易度】★★★☆☆(普通)

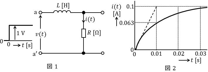
図1に示す\( \ R-L \ \)回路において,端子\( \ \mathrm {a} \ \),\( \ \mathrm {a}^{\prime } \ \)間に単位階段状のステップ電圧\( \ v\left( t\right) \ \mathrm {[V]} \ \)を加えたとき,抵抗\( \ R \ \mathrm {[\Omega ]} \ \)に流れる電流を\( \ i\left( t\right) \ \mathrm {[A]} \ \)とすると,\( \ i\left( t\right) \ \)は図2のようになった。この回路の\( \ R \ \mathrm {[\Omega ]} \ \),\( \ L \ \mathrm {[H]} \ \)の値及び入力を\( \ \mathrm {a} \ \),\( \ \mathrm {a}^{\prime } \ \)間の電圧とし,出力を\( \ R \ \mathrm {[\Omega ]} \ \)に流れる電流としたときの周波数伝達関数\( \ G\left( j\omega \right) \ \)の式として,正しいものを次の(1)~(5)のうちから一つ選べ。


\[
\begin{array}{cccc}
& R \ \mathrm {[\Omega ]} & L \ \mathrm {[H]} & G\left( j\omega \right) \\
\hline
(1) &  10  &  0.1  &  \displaystyle \frac {0.1}{1+j0.01\omega }  \\
\hline
(2) &  10  &  1  &  \displaystyle \frac {0.1}{1+j0.1\omega }  \\
\hline
(3) &  100  &  0.01  &  \displaystyle \frac {1}{10+j0.01\omega }  \\
\hline
(4) &  10  &  0.1  &  \displaystyle \frac {1}{10+j0.01\omega }  \\
\hline
(5) &  100  &  0.01  &  \displaystyle \frac {1}{100+j0.01\omega }  \\
\hline
\end{array}
\]

【ワンポイント解説】

\( \ \mathrm {R-L} \ \)直列回路の周波数伝達関数を求める問題です。
初見で解くとどのようにして解けば良いかわからない問題であると思いますが,理論科目の過渡現象の内容を思い出しながら解いていきましょう。

1.過渡現象におけるリアクトルの過渡状態と定常状態
① 過渡状態
リアクトルに流れる電流値を維持しようとする働きをします。したがって,リアクトルに電圧を印加した瞬間はほとんど電流は流れないので,開放として考えます。

② 定常状態
電圧を印加して十分時間が経過した後は,リアクトルの抵抗はほぼ零になります。したがって,短絡として考えます。

2.過渡現象におけるコンデンサの過渡状態と定常状態
① 過渡状態
コンデンサに蓄えられている電荷が零であるので,電流がものすごく流れやすい状態,すなわち短絡として考えます。

② 定常状態
コンデンサに十分に電荷が蓄えられているので,電流をこれ以上蓄えようとしない,すなわち開放として考えます。

3.時定数
過渡現象におけるリアクトルやコンデンサの電圧の導出は微分方程式の計算を伴うため二種以上の範囲となりますが,図3や図4のような回路が与えられると,図3のリアクトル電圧\( \ V_{\mathrm {L}} \ \mathrm {[V]} \ \)及び回路を流れる電流\( \ I_{\mathrm {L}} \ \mathrm {[A]} \ \),図4のコンデンサ電圧\( \ V_{\mathrm {C}} \ \mathrm {[V]} \ \)及び回路を流れる電流\( \ I_{\mathrm {C}} \ \mathrm {[A]} \ \)はそれぞれ,
\[
\begin{eqnarray}
V_{\mathrm {L}} &=&E\mathrm {e}^{-\frac {R}{L}t} \\[ 5pt ] I_{\mathrm {L}} &=&\frac {E}{R}\left( 1-\mathrm {e}^{-\frac {R}{L}t}\right) \\[ 5pt ] V_{\mathrm {C}} &=&E\left( 1-\mathrm {e}^{-\frac {t}{CR}}\right) \\[ 5pt ] I_{\mathrm {C}} &=&\frac {E}{R}\mathrm {e}^{-\frac {t}{CR}} \\[ 5pt ] \end{eqnarray}
\] で与えられ,定常値の約\( \ 63.2 \ \mathrm {[%]} \ \)の変化になる時間を時定数\( \ \tau \ \mathrm {[s]} \ \)と呼び\( \ \displaystyle \tau =\frac {L}{R} \ \)及び\( \ \tau =CR \ \)となります。

時定数\( \ \tau \ \)が大きくなると図5のように経過時間に対し,収束するまでの時間が遅くなります。

【解答】

解答:(1)
ワンポイント解説「1.過渡現象におけるリアクトルの過渡状態と定常状態」の通り,定常状態において,リアクトル\( \ L \ \mathrm {[H]} \ \)は短絡と考えればよいから,図2より定常電流\( \ i\left( \infty\right) =0.1 \ \mathrm {[A]} \ \)であるため,
\[
\begin{eqnarray}
i\left( \infty\right) &=&\frac {v\left( t\right) }{R} \\[ 5pt ] 0.1 &=&\frac {1}{R} \\[ 5pt ] R&=&\frac {1}{0.1} \\[ 5pt ] &=&10 \ \mathrm {[\Omega ]} \\[ 5pt ] \end{eqnarray}
\] と求められる。次に,ワンポイント解説「3.時定数」の通り,図2より時定数\( \ \tau =0.01 \ \mathrm {[s]} \ \)であるから,
\[
\begin{eqnarray}
\tau &=&\frac {L}{R} \\[ 5pt ] 0.01 &=&\frac {L}{10} \\[ 5pt ] L&=&10\times 0.01 \\[ 5pt ] &=&0.1 \ \mathrm {[H]} \\[ 5pt ] \end{eqnarray}
\] と求められる。また,図1にオームの法則を適用すると,周波数伝達関数\( \ \displaystyle G\left( j\omega \right) =\frac {i\left( t\right) }{v\left( t\right) } \ \)は,
\[
\begin{eqnarray}
i\left( t\right) &=&\frac {v\left( t\right) }{R+j\omega L} \\[ 5pt ] \frac {i\left( t\right) }{v\left( t\right) }&=&\frac {1}{R+j\omega L} \\[ 5pt ] G\left( j\omega \right) &=&\frac {1}{10+j0.1\omega } \\[ 5pt ] &=&\frac {0.1}{1+j0.01\omega } \\[ 5pt ] \end{eqnarray}
\] と求められる。