Contents
【問題】
【難易度】★★★★☆(やや難しい)
フリップフロップを含む回路を考える。その入力は,手動式パルス発生回路からの信号パルスである。次の(a)及び(b)に答えよ。
(a) 手動式パルス発生回路において,有接点スイッチ\( \ \mathrm {SW} \ \)を切り換えてパルスを発生させると,出力信号にチャタリングが発生する場合がある。そのため,手動式パルス発生回路にはチャタリング防止回路が必要になる。
図\( \ \mathrm {A} \ \),図\( \ \mathrm {B} \ \),図\( \ \mathrm {C} \ \)及び図\( \ \mathrm {D} \ \)が示す回路のうち,スイッチの切り換えによるチャタリングが出力に出ないパルス発生回路は二つある。その二つは下記の選択肢のうちどれか。
ただし,図\( \ \mathrm {C} \ \)の図記号(※)は,シュミットトリガ\( \ \mathrm {NOT} \ \)ゲートである。なお,各論理素子には\( \ +5 \ \mathrm {[V]} \ \)の電源電圧が加えられているものとする。


(1) 図\( \ \mathrm {A} \ \)と図\( \ \mathrm {B} \ \) (2) 図\( \ \mathrm {A} \ \)と図\( \ \mathrm {C} \ \) (3) 図\( \ \mathrm {A} \ \)と図\( \ \mathrm {D} \ \)
(4) 図\( \ \mathrm {B} \ \)と図\( \ \mathrm {C} \ \) (5) 図\( \ \mathrm {C} \ \)と図\( \ \mathrm {D} \ \)
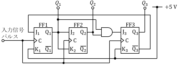
(b) フリップフロップを含む回路として,図に示すように\( \ 3 \ \)個の\( \ \mathrm {JK-FF} \ \)(\( \ \mathrm {JK-} \ \)フリップフロップ)を考える。入力信号パルスは,\( \ \mathrm {JK-FF} \ \)の各\( \ \mathrm {C} \ \)端子に同時に加わり,\( \ \mathrm {JK-FF} \ \)の出力\( \ \left( Q_{3},Q_{2},Q_{1} \right) \ \)に信号が現れる。\( \ \mathrm {JK-FF} \ \)は初期状態において,出力\( \ \left( Q_{3},Q_{2},Q_{1} \right) \ \)の値は,\( \ \left( 0,0,0 \right) _{2} \ \)であるとする。
図の回路に一つめの入力信号パルスが加わると,そのとき\( \ \left( J_{3},J_{2},J_{1} \right) \ \)の値は,\( \ ( \ \fbox { (ア) } \ ) _{2} \ \)になる。また,二つめの入力信号パルスが加わると,そのとき\( \ \left( J_{3},J_{2},J_{1} \right) \ \)の値は,\( \ ( \ \fbox { (イ) } \ ) _{2} \ \)になる。
以下,三つめ,四つめの入力信号パルスが加わり,五つめの入力信号パルスが加わった後の\( \ \left( J_{3},J_{2},J_{1} \right) \ \)の値は,\( \ ( \ \fbox { (ウ) } \ ) _{2} \ \)になる。
上記の記述中の空白箇所(ア),(イ)及び(ウ)に当てはまる論理値として正しいものを組み合わせたのは次のうちどれか。

\[
\begin{array}{cccc}
& (ア) & (イ) & (ウ) \\
\hline
(1) & 0,0,1 & 0,1,1 & 0,0,1 \\
\hline
(2) & 0,0,1 & 0,1,1 & 0,1,0 \\
\hline
(3) & 0,1,1 & 0,0,1 & 1,0,1 \\
\hline
(4) & 1,0,0 & 1,1,0 & 1,0,1 \\
\hline
(5) & 0,1,1 & 0,0,1 & 0,0,1 \\
\hline
\end{array}
\]
【ワンポイント解説】
フリップフロップを用いた論理回路に関する問題です。
出題頻度が低く,出題されても選択問題なので,ほとんどの受験生が学習範囲外としている内容かと思います。
論理回路を体系的に学習したことがある方にお勧めする問題です。
1.フリップフロップ
論理回路のうち出力を一時的に保持することができる記憶回路のことをいいます。
大学の電子工学では,細かな回路構成も勉強しますが,電験においてはその概要と真理値表を見ておけば十分かと思います。
①\( \ \mathrm {RS} \ \)フリップフロップ
図1に示すような回路構成で,フリップフロップとしては最も単純な回路となります。真理値表は表1のようになります。
表 1
\[
\begin{array}{|c|c|c|c|}
\hline
\mathrm {S} & \mathrm {R} & \mathrm {Q} & \overline {\mathrm {Q}} \\
\hline
0 & 0 & 保持 & 保持 \\
0 & 1 & 0 & 1 \\
1 & 0 & 1 & 0 \\
1 & 1 & 禁止 & 禁止 \\
\hline
\end{array}
\]
②\( \ \mathrm {JK} \ \)フリップフロップ
回路は\( \ \mathrm {RS} \ \)フリップフロップに\( \ \mathrm {AND} \ \)回路を接続したような回路ですが,真理値表は表2のように\( \ \mathrm {RS} \ \)フリップフロップをベースとして,入力を共に\( \ 1 \ \)とした場合に出力が反転するフリップフロップとなります。
表 2
\[
\begin{array}{|c|c|c|c|}
\hline
\mathrm {J} & \mathrm {K} & \mathrm {Q} & \overline {\mathrm {Q}} \\
\hline
0 & 0 & 保持 & 保持 \\
0 & 1 & 0 & 1 \\
1 & 0 & 1 & 0 \\
1 & 1 & 反転 & 反転 \\
\hline
\end{array}
\]
③\( \ \mathrm {T} \ \)フリップフロップ
入力\( \ \mathrm {T} \ \)が\( \ 0 \ \)のとき出力を保持し,\( \ 1 \ \)のとき出力を反転するフリップフロップで,真理値表は表3のようになります。\( \ 0→1 \ \)の立ち上がり時や\( \ 1→0 \ \)の立ち下がり時のトリガにより動作するものもあります。
表 3
\[
\begin{array}{|c|c|c|}
\hline
\mathrm {T} & \mathrm {Q} & \overline {\mathrm {Q}} \\
\hline
0 & 保持 & 保持 \\
1 & 反転 & 反転 \\
\hline
\end{array}
\]
④\( \ \mathrm {D} \ \)フリップフロップ
入力が\( \ \mathrm {CLK} \ \)と\( \ \mathrm {D} \ \)があり,\( \ \mathrm {CLK} \ \)が\( \ 0 \ \)のとき出力を保持し,\( \ \mathrm {CLK} \ \)が\( \ 1 \ \)のとき\( \ \mathrm {D} \ \)を\( \ \mathrm {Q} \ \)に出力するフリップフロップで真理値表は表4のようになります。\( \ 0→1 \ \)の立ち上がり時や\( \ 1→0 \ \)の立ち下がり時のトリガにより動作するものもあります。
表 4
\[
\begin{array}{|c|c|c|c|}
\hline
\mathrm {CLK} & \mathrm {D} & \mathrm {Q} & \overline {\mathrm {Q}} \\
\hline
0 & 0 & 保持 & 保持 \\
0 & 1 & 保持 & 保持 \\
1 & 0 & 0 & 1 \\
1 & 1 & 1 & 0 \\
\hline
\end{array}
\]
【解答】
(a)解答:(4)
図\( \ \mathrm {A} \ \)
保持回路が含まれていないので,\( \ \mathrm {SW} \ \)を切り換えるタイミングでチャタリングが発生します。
図\( \ \mathrm {B} \ \)
ワンポイント解説「1.フリップフロップ」の通り,フリップフロップ回路を含み,\( \ \mathrm {SW} \ \)切換え時に信号を保持できるのでチャタリングは発生しません。
図\( \ \mathrm {C} \ \)
シュミットトリガ回路を含むとき,入力に対して出力がヒステリシスに変化するので,\( \ \mathrm {SW} \ \)切換え時のチャタリングは発生しません。
図\( \ \mathrm {D} \ \)
フリップフロップ回路のような接続をしていますが,\( \ \mathrm {AND} \ \)回路を使用しているため保持回路の機能は有しません。したがって,チャタリングが発生することになります。
(b)解答:(5)
\( \ \left( Q_{3},Q_{2},Q_{1} \right) \ \)が\( \ \left( 0,0,0 \right) _{2} \ \)のときの各部の信号は図5のようになる。
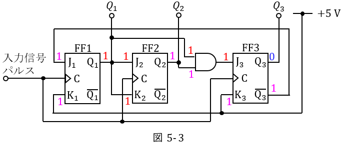
一つめの入力信号パルスが加わると,ワンポイント解説「1.フリップフロップ」表2の通り,\( \ \mathrm {FF1} \ \)は信号反転,\( \ \mathrm {FF2} \ \)は信号保持,\( \ \mathrm {FF3} \ \)は\( \ \mathrm {Q_{3}}=0,\overline {\mathrm {Q_{3}}}=1 \ \)を出力するので,図5-1のようになる。このとき\( \ \left( J_{3},J_{2},J_{1} \right) \ \)の値は,\( \ \left( 0,1,1\right) _{2} \ \)と求められる。
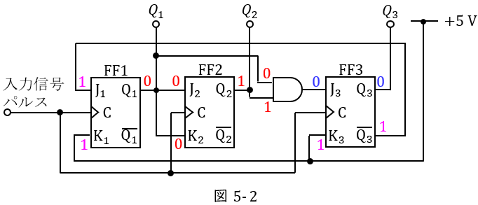
二つめの入力信号パルスが加わると,ワンポイント解説「1.フリップフロップ」表2の通り,\( \ \mathrm {FF1} \ \)は信号反転,\( \ \mathrm {FF2} \ \)は信号反転,\( \ \mathrm {FF3} \ \)は\( \ \mathrm {Q_{3}}=0,\overline {\mathrm {Q_{3}}}=1 \ \)を出力するので,図5-2のようになる。このとき\( \ \left( J_{3},J_{2},J_{1} \right) \ \)の値は,\( \ \left( 0,0,1\right) _{2} \ \)と求められる。
三つめの入力信号パルスが加わると,ワンポイント解説「1.フリップフロップ」表2の通り,\( \ \mathrm {FF1} \ \)は信号反転,\( \ \mathrm {FF2} \ \)は信号保持,\( \ \mathrm {FF3} \ \)は\( \ \mathrm {Q_{3}}=0,\overline {\mathrm {Q_{3}}}=1 \ \)を出力するので,図5-3のようになる。

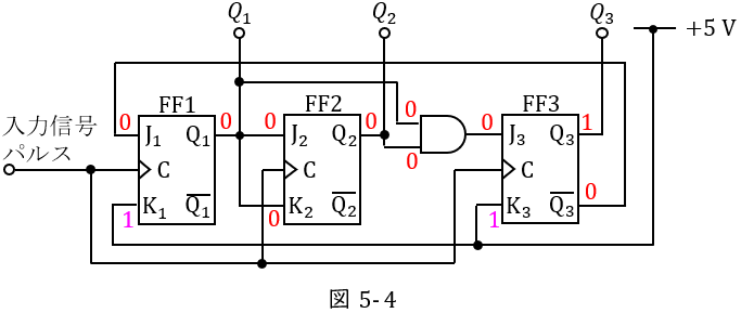
四つめの入力信号パルスが加わると,ワンポイント解説「1.フリップフロップ」表2の通り,\( \ \mathrm {FF1} \ \)は信号反転,\( \ \mathrm {FF2} \ \)は信号反転,\( \ \mathrm {FF3} \ \)は信号反転を出力するので,図5-4のようになる。
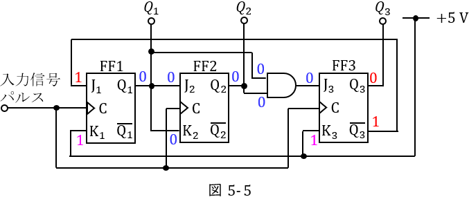
五つめの入力信号パルスが加わると,ワンポイント解説「1.フリップフロップ」表2の通り,\( \ \mathrm {FF1} \ \)は\( \ \mathrm {Q_{1}}=0,\overline {\mathrm {Q_{1}}}=1 \ \),\( \ \mathrm {FF2} \ \)は信号保持,\( \ \mathrm {FF3} \ \)は\( \ \mathrm {Q_{3}}=0,\overline {\mathrm {Q_{3}}}=1 \ \)を出力するので,図5-5のようになる。このとき\( \ \left( J_{3},J_{2},J_{1} \right) \ \)の値は,\( \ \left( 0,0,1\right) _{2} \ \)と求められる。















愛知県出身 愛称たけちゃん
詳しくは