Contents
【問題】
【難易度】★★★★☆(やや難しい)
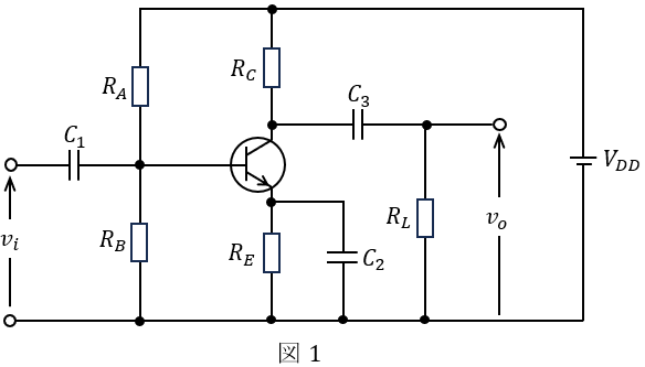
図1のようなトランジスタ増幅回路がある。次の(a)及び(b)に答えよ。
ただし,\( \ R_{A} \ \),\( \ R_{B} \ \),\( \ R_{C} \ \),\( \ R_{E} \ \),\( \ R_{L} \ \)は抵抗,\( \ C_{1} \ \),\( \ C_{2} \ \),\( \ C_{3} \ \)はコンデンサ,\( \ V_{DD} \ \)は直流電圧源,\( \ v_{i} \ \),\( \ v_{o} \ \)は交流信号電圧とする。
(a) 図1の回路を交流信号に注目し,交流回路として考える。この場合,この回路を図2のような等価な回路に置き換えることができる。このとき等価な抵抗\( \ R_{1} \ \),\( \ R_{2} \ \)の値を表す式として,正しいのは次のうちどれか。
ただし,\( \ C_{1} \ \),\( \ C_{2} \ \),\( \ C_{3} \ \)のインピーダンスは十分小さく無視できるものとする。

\[
\begin{array}{ccc}
& R_{1} & R_{2} \\
\hline
(1) & \displaystyle \frac {R_{A}R_{B}}{R_{A}+R_{B}} & \displaystyle \frac {R_{C}R_{L}}{R_{C}+R_{L}} \\
\hline
(2) & \displaystyle \frac {R_{B}R_{E}}{R_{B}+R_{E}} & \displaystyle \frac {R_{A}R_{C}}{R_{A}+R_{C}} \\
\hline
(3) & \displaystyle \frac {R_{B}R_{E}}{R_{B}+R_{E}} & \displaystyle \frac {R_{C}R_{L}}{R_{C}+R_{L}} \\
\hline
(4) & \displaystyle \frac {R_{A}R_{C}}{R_{A}+R_{C}} & \displaystyle \frac {R_{E}R_{L}}{R_{E}+R_{L}} \\
\hline
(5) & \displaystyle \frac {R_{A}R_{B}}{R_{A}+R_{B}} & \displaystyle \frac {R_{E}R_{L}}{R_{E}+R_{L}} \\
\hline
\end{array}
\]
(b) 図2の回路で,トランジスタの入力インピーダンス\( \ h_{ie}=6 \ \mathrm {[k\Omega ]} \ \),電流増幅率\( \ h_{fe}=140 \ \)であった。この回路の電圧増幅度の大きさとして,最も近いのは次のうちどれか。
ただし,図1の回路において,各抵抗は\( \ R_{A}=100 \ \mathrm {[k\Omega ]} \ \),\( \ R_{B}=25 \ \mathrm {[k\Omega ]} \ \),\( \ R_{C}=8 \ \mathrm {[k\Omega ]} \ \),\( \ R_{E}=2.2 \ \mathrm {[k\Omega ]} \ \),\( \ R_{L}=15 \ \mathrm {[k\Omega ]} \ \)とし,出力アドミタンス\( \ h_{oe} \ \)及び電圧帰還率\( \ h_{re} \ \)は無視できるものとする。
(1) \( \ 15.7 \ \) (2) \( \ 82 \ \) (3) \( \ 122 \ \) (4) \( \ 447 \ \) (5) \( \ 753 \ \)
【ワンポイント解説】
負帰還増幅回路の等価回路と電圧増幅度を求める問題です。
小信号等価回路は与えられる場合が多いですが,本問は与えられていないので,自分で描いて解いていく必要がある難問です。
(a)は電気回路等でも役立つ知識となるので,(a)を優先にマスターしておくようにして下さい。
1.バイポーラトランジスタの小信号等価回路
エミッタ接地におけるバイポーラトランジスタの交流信号分に着目した小信号等価回路は図3のように描けます。入出力信号の関係を式で表すと,
\[
\begin{eqnarray}
v_{\mathrm {b}}&=&h_{\mathrm {ie}}i_{\mathrm {b}}+h_{\mathrm {re}}v_{\mathrm {c}} \\[ 5pt ]
i_{\mathrm {c}}&=&h_{\mathrm {fe}}i_{\mathrm {b}}+h_{\mathrm {oe}}v_{\mathrm {c}} \\[ 5pt ]
\end{eqnarray}
\]
となりまず。ただし,\( \ h_{\mathrm {ie}} \ \),\( \ h_{\mathrm {re}} \ \),\( \ h_{\mathrm {fe}} \ \),\( \ h_{\mathrm {oe}} \ \)を\( \ h \ \)パラメータといい,
\( \ h_{\mathrm {ie}} \ \):入力インピーダンス\( \ \mathrm {[\Omega]} \ \)
\( \ h_{\mathrm {re}} \ \):電圧帰還率
\( \ h_{\mathrm {fe}} \ \):電流増幅率
\( \ h_{\mathrm {oe}} \ \):出力アドミタンス
といいます。ただし,\( \ h_{\mathrm {re}} \ \)及び\( \ h_{\mathrm {oe}} \ \)は非常に小さい値ということで無視する場合が多いです。
【解答】
(a)解答:(1)
題意の通り,\( \ C_{1} \ \),\( \ C_{2} \ \),\( \ C_{3} \ \)のインピーダンスは十分小さく無視できるので,交流信号分について整理すると図4のようになる。
したがって,図4と図2を比較すると,\( \ R_{1} \ \)は\( \ R_{A} \ \)と\( \ R_{B} \ \)の並列合成抵抗,\( \ R_{2} \ \)は\( \ R_{C} \ \)と\( \ R_{L} \ \)の並列合成抵抗であるので,
\[
\begin{eqnarray}
R_{1}&=&\frac {R_{A}R_{B}}{R_{A}+R_{B}} \\[ 5pt ]
R_{2}&=&\frac {R_{C}R_{L}}{R_{C}+R_{L}} \\[ 5pt ]
\end{eqnarray}
\]
と求められる。
(b)解答:(3)
(a)より,\( \ R_{1} \ \mathrm {[k\Omega ]} \ \)及び\( \ R_{2} \ \mathrm {[k\Omega ]} \ \)の大きさは,
\[
\begin{eqnarray}
R_{1}&=&\frac {R_{A}R_{B}}{R_{A}+R_{B}} \\[ 5pt ]
&=&\frac {100\times 25}{100+25} \\[ 5pt ]
&=&20 \ \mathrm {[k\Omega ]} \\[ 5pt ]
R_{2}&=&\frac {R_{C}R_{L}}{R_{C}+R_{L}} \\[ 5pt ]
&=&\frac {8\times 15}{8+15} \\[ 5pt ]
&≒&5.217 \ \mathrm {[k\Omega ]} \\[ 5pt ]
\end{eqnarray}
\]
となり,ワンポイント解説「1.バイポーラトランジスタの小信号等価回路」に沿って等価回路を描くと図5のようになる。図5より,電圧増幅度\( \ \displaystyle \left| \frac {v_{o}}{v_{i}}\right| \ \)は,
\[
\begin{eqnarray}
\left| \frac {v_{o}}{v_{i}}\right| &=&\left| \frac {-R_{2}h_{fe}i_{b}}{h_{ie}i_{b}}\right| \\[ 5pt ]
&=& \frac {R_{2}h_{fe}}{h_{ie}} \\[ 5pt ]
&=& \frac {5.217\times 10^{3}\times 140}{6\times 10^{3}} \\[ 5pt ]
&≒&122 \\[ 5pt ]
\end{eqnarray}
\]
と求められる。














愛知県出身 愛称たけちゃん
詳しくは